Het grote wobbel/networkanalyzer topic

Forumregels
Plaats hier je bouwsels. Gebruik gerust de bijlagenfunctie van dit forum om bijvoorbeeld foto's en schema's toe te voegen. ATV (amateur televisie) bouwprojecten kun je beter in het ATV subforum plaatsen.
rbeckers
.
.
Berichten: 492
Lid geworden op: 10 mei 2008, 23:15

Re: Het grote wobbel/networkanalyzer topic

Ongelezen bericht door rbeckers »

Fred,

- alle wegen leiden naar de voeding.
- oost, west, voeding best.
- eigen voeding is goud waard.
- beter een werkende voeding in de hand (of SA) dan tien defecte in de lucht. :lol:

Waarschijnlijk ben je nu wel overtuigd van mijn standpunt: Controleer als eerste de voeding!
Toch vreemd van die zeners.

René
Gebruikersavatar
fred101
.
.
Berichten: 878
Lid geworden op: 08 jun 2007, 08:08
Roepletters: PA4TIM
Locatie: Waardenburg
Contacteer:

Re: Het grote wobbel/networkanalyzer topic

Ongelezen bericht door fred101 »

Een mens kan niet zonder voeding, een meetapparaat ook niet.

Ik ben nu weer in het boek aan het zoeken wat er nu allemaal aan voedingen moet zijn. Ik vind net nog een 250 en 80V maar die zullen wel in die andere kast zitten met de scoopunit.

Ik heb ook een lijstje met zeners. Daar zal ik dus nog wel wat fout gedaan hebben. Er zit geen logica in. Een 814A is bv 7,5V maar een 815A is 5,6V, een 815b is 6,8V en een 815B is 8,2. De meeste heb ik kunnen vinden door ergens een broertje te meten maar sommigen zijn dus nog fout ben ik bang.


Ik heb twee opties: hem stukje voor stukje verbeteren en ombouwen of leeghalen en de SA met tracking generator van ons forum er in bouwen
Het lijkt me echter wel wat als leerproject om hem toch maar beetje bij beetje te verbeteren.
De VFO enzo in die giet alu dozen lijkt me best goed gemaakt dus dat kan blijven. Is ook redelijk makkelijk te verbeteren mocht dat nodig zijn (vco zijn maar twee torren) en beter gebouwd dan de rest. De schakelaars zijn ook allemaal erg mooi en de kast is solide.

Dus
-een complete voeding met moderne regelaars, dat moet ik kunnen
-een betere sweepgenerator maken ipv dit ingewikkelde geval in twee stappen met vreemde correcties , dat zal lastiger worden.
-een andere counter die ook in 100KHz aangeeft, geen idee hoe
-logdetector toevoegen
-er zit een tweede uitgang op, die loopt mee met de vooruitgang, die kan naar een mixer en log versterker en dan is het een echte SNA.
en dan hopen dat de monitorunit niet net zo gammel is want dat verbeteren zal iets lastiger zijn maar ik heb scopen zat als alternatief.
PA4TIM's opvangtehuis voor buizenbakken: Link
Gebruikersavatar
fred101
.
.
Berichten: 878
Lid geworden op: 08 jun 2007, 08:08
Roepletters: PA4TIM
Locatie: Waardenburg
Contacteer:

Re: Het grote wobbel/networkanalyzer topic

Ongelezen bericht door fred101 »

Hij blijft het niet doen en ik kom er niet achter wat het is. De voeding is overal aanwezig. De zaagtand is ook goed. Niet de mooist lineaire die ik ook gezien heb maar het is 30 jaar oud natuurlijk. Het probleem is dat hij niet inverteerd. Er is echter wel een trace en een marker aanwezig op band 1. Er staat ook een signaal op de uitgang maar het sweept niet.

Ik ga nu doe wat ik eerder had moeten doen. Ik ben draden tussen de plugin en de rest aan het solderen. De mix/schakelunit ligt al open zodat ik er bij kan om te meten. Ik hoop niet dat het de schakeldiodes zijn want dat blijken die kleine witte suikerkorreltjes met dat gouden haartje eraan te zijn. Ik ben bang dat dat de enige optie is. In zo'n HP werken vond ik wel leuk vanwege het goede manual en omdat je overal bij kon. Dit is toch een stuk minder leuk. Het is dat ik hem heel graag weer werkend heb en het waarschijnlijk nog wel even duurt voor we de SA met tracking generator klaar hebben. Ik wil weer leuke meetexperimenten gaan doen.
PA4TIM's opvangtehuis voor buizenbakken: Link
rbeckers
.
.
Berichten: 492
Lid geworden op: 10 mei 2008, 23:15

Re: Het grote wobbel/networkanalyzer topic

Ongelezen bericht door rbeckers »

Fred,

band II werkt wel?
Als je via een potmeter tussen -10V en 0V op de VCO zet krijg je dan wel een signaal?

René
Gebruikersavatar
fred101
.
.
Berichten: 878
Lid geworden op: 08 jun 2007, 08:08
Roepletters: PA4TIM
Locatie: Waardenburg
Contacteer:

Re: Het grote wobbel/networkanalyzer topic

Ongelezen bericht door fred101 »

Band II werkt goed over het hele bereik. Als hij dadelijk open ligt kan ik dat met die potmeter proberen.
PA4TIM's opvangtehuis voor buizenbakken: Link
Gebruikersavatar
fred101
.
.
Berichten: 878
Lid geworden op: 08 jun 2007, 08:08
Roepletters: PA4TIM
Locatie: Waardenburg
Contacteer:

Re: Het grote wobbel/networkanalyzer topic

Ongelezen bericht door fred101 »

Ik kan nu overal meten. Er zit nu een kabelboom tussen de generator plugin en de rest.
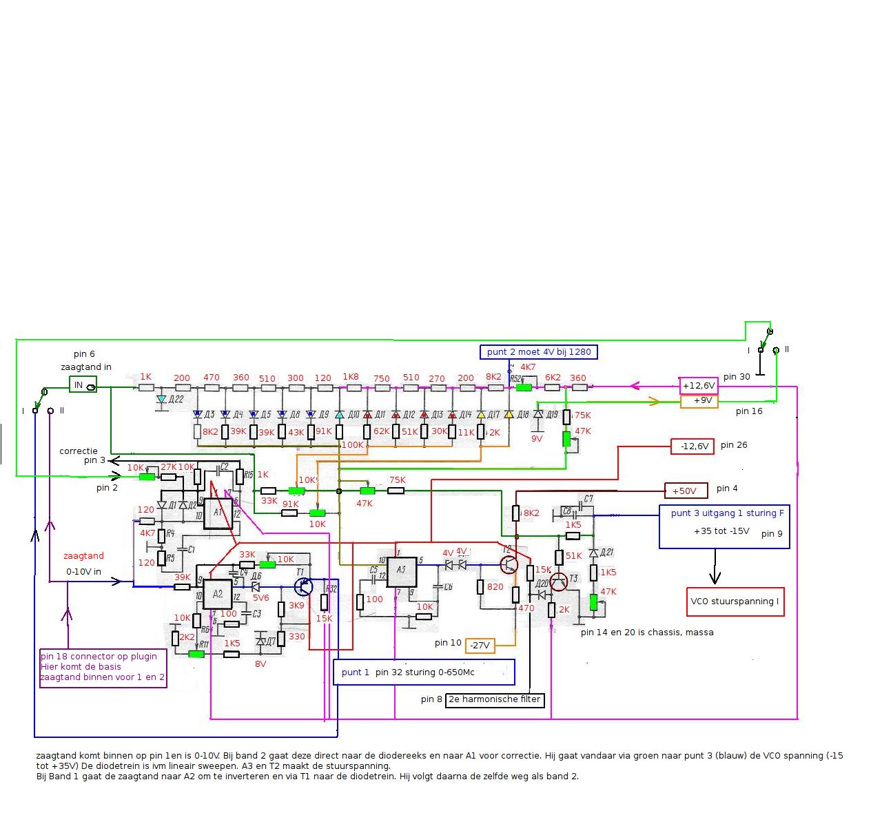
Het schema klopt in ieder geval niet. De schakelunit die in het schema twee ingangen heeft werkt heel anders. Er is 1 aansluiting en die wordt negatief 12,6 voor de ene en positief voor de ander.
De zaagtand voor de vco loopt van -15 tot +35V. Bij band 1 is er geen zaagtand meer. Ik denk dat deze de andere kant op moet lopen voor band 1. De zaagtand loopt dan dus gewoon de andere kant op verwacht ik. (ipv 560-1280 loopt de vco dan 1280-560)
Ik kan echter ook geen LO signaal ontdekken. Ik meet alleen een stilstaande VCO. Alle voeding enz is daar aan de buitenkant wel aanwezig.

Op de generator plugin staat een zaagtand ( ik ben vergeten precies te meten hoe groot) welke in band 1 van 0 tot -iets van -10 denk ik gaat en in band 2 zo'n zelfde stuk (2 divisies) dan van -10 tot -20. In ieder geval was het op de scoop een even grote zaagtand voor beide bereiken alleen met een DC off-set en aaneensluitend. Aangezien band 2 goed is zal dit ook wel kloppen voor band 1 lijkt me.

Op de stuurspanningomvormer bij de verdachte opamp staat op die paarse lijn waar ik 0-100V heb staan een zaagtand voor zowel band 1 als 2, gewoon dezelfde zaagtand. Correctiesignaal band 1 is -3 tot -6 en band 2 is 0 tot -3V. De rose lijn met 12,6V is +12,6, de rode is -12,6V zoals ik al dacht.
+9V is 8,75V

Dan de opamp:
op pin 5 gemeten aan de condensator staat in band 1 een blokgolf gelijk in frequentie aan de zaagtand, in band 2 staat daar niets.
Op pin 12 staat deze ook alleen veel minder in amplitude. Ik neem aan dat dat iets is wat eigenlijk een zaagtand zou moeten zijn.
Dus bij het omschakelen van band wordt er wel iets gemaakt (wat uit dat IC komt denk ik gezien het op de basis van die tor staat.
Op de VFO, LO enz (die alu dozen) is het enige wat veranderd bij omschakelen de polariteit van de voeding van de schakelunit.

Ik ben er bijna dus

Wel een alternatief zitten zoeken mocht het niet lukken:
Een minicircuits POS1000W+, een VCO van 500-1000MHz. Deze aansturen met de sweepgenerator van het forum (ik heb hem al klaar en als het werkt is er zo een tweede gemaakt), dan een mixer (SBL-2LC) met als LO de POS765P VCO (486-510MHz met 0-5V stuurspanning). . Een MAN-1+ (DC-1GHz 17,8dB) versterker. Daarna een LPF. Dan een powersplitter. De ene naar het DUT de andere naar een tweede mixer. Het signaal na het DUT gaat via de stappenverzwakker ook die mixer in. Deze mixt dan weer naar DC. Dan een logamp. en ik hen een echte 0-500MHz SNA en ik denk beter dan nu. Als ik dan een bypass voor de mixers en LO maak heb ik ook 500-1000MHz.
Dat mini-circuitsspul lijk je zelfs gewoon direct bij minicircuits te kunnen bestellen. De verzwakker kan ik hergebruiken, de trafo ook maar dan met een goede voeding erachter (dat heb ik zo liggen en met moderne regelaars is dat zo klaar). De gietalu dozen kunnen als behuizing dienen en omdat ik op de zelfde frequenties zit als nu kan ik dingen als de filters hergebruiken. Dan vervang ik dus de sweepgenerator (die ik al heb) en in dat bakje alleen de VCO, de LO, versterker en de mixer en maak er als dat functioneert als tweede project dat "ontvangst" circuit bij. Het enige waar ik nog niet uit ben dan is de teller en marker.
Als sweepgenerator heb ik nog even aan een PIC zitten denken. Dab kan je een hele curve van 0-5V ingeven met hoge resolutie zodat je een heel linaire sweep kan krijgen en daar gelijk de marker maken (de marker is nu gewoon een horizontaal stukje in de afstemspanning ). Ik kan ook (desnoods met een tweede PIC) uitrekenen wat de frequentie is (die telt ook gewoon tabelgewijs door)
en dat weergeven.

Fred
PA4TIM's opvangtehuis voor buizenbakken: Link
rbeckers
.
.
Berichten: 492
Lid geworden op: 10 mei 2008, 23:15

Re: Het grote wobbel/networkanalyzer topic

Ongelezen bericht door rbeckers »

Fred,

je bent er bijna maar nog niet helemaal .... :wink:

Wat betreft de mini-circuits spullen en ideeën.
Het is wel wat lastiger dan jij schrijft. De grote lijn klopt ongeveer maar er ontbreken wat details.

Bijv. 100kHz-3GHz ingang, eerst verzwakker dan laagdoorlaatfilter dan 1e mixer met een LO van 3500,1MHz - 6,5GHz.
Verschil na 1e mixer is steeds 3,5GHz.
6.5GHz - 3GHz =3.5GHz (3GHz is hier de max. frekwentie in het signaal)
3.5001GHz- 0.1MHz=3.5GHz (0,1MHz is de min. frekwentie in het signaal)
Dan een filter op 3,5GHz. Dan via 2 mixers en LO's naar 10,7MHz, instelbaar filter en logdetector. :)

Oftewel een SA (nog zonder tracking generator).

De (1e) LO zit boven de max frekwentie in het signaal. Werkt veel beter.
Maar, zeker bovenstaand, bouw je niet zomaar. Dit is (veel te) lastig. :crybaby:
Er komt ook nogal wat rekenwerk bij kijken. :sneaky2:

René
Gebruikersavatar
fred101
.
.
Berichten: 878
Lid geworden op: 08 jun 2007, 08:08
Roepletters: PA4TIM
Locatie: Waardenburg
Contacteer:

Re: Het grote wobbel/networkanalyzer topic

Ongelezen bericht door fred101 »

Maar dat was ook niet mijn plan. Ik wilde gewoon de VCO, LO en mixer die er nu in zitten vervangen door minicircuits units. Dat veranderd dus niet veel aan de functie alleen is het dan wat moderner en betrouwbaarder.

Wat ik dan bij de ingang wilde doen is direct naar DC mixen. Als de VCO op 10MHz staat dan staat er dus op de mixer aan de ingang het 10MHz incident en het 10MHz VCO signaal. Het verschil is 0 ofwel DC en 20MHz. Bij 500MHz is dit DC en 1GHz. Er moet wel een filter na de mixer die alles boven DC wegfiltert. Dan een logamp en ik heb het Y signaal.
PA4TIM's opvangtehuis voor buizenbakken: Link
rbeckers
.
.
Berichten: 492
Lid geworden op: 10 mei 2008, 23:15

Re: Het grote wobbel/networkanalyzer topic

Ongelezen bericht door rbeckers »

Fred,

ik snap het niet helemaal. :oops:

In je eerste voorbeeld heb je een VCO van 500-1000MHz met mixer en LO van ong. 500MHz.
Dit geeft 0-500MHz. DAN moet er een LPF komen en versterker.
Vervolgens splitter geeft twee identieke 0-500MHz signalen.
Een via DUT naar 2e mixer en ander rechtstreeks naar 2e mixer.

Wat komt er dan uit de 2e mixer na een LPF ???
Die 2e mixer kan zich gedragen als fasedetector oa afhankelijk van signaalniveau's, anders een mix :wink: tussen fase en amplitudeverschillen.

René
Gebruikersavatar
fred101
.
.
Berichten: 878
Lid geworden op: 08 jun 2007, 08:08
Roepletters: PA4TIM
Locatie: Waardenburg
Contacteer:

Re: Het grote wobbel/networkanalyzer topic

Ongelezen bericht door fred101 »

Dan zal het wel niet kunnen wat ik bedacht had. Ik wilde het meetsignaal ineens naar nul terug mixen maar ik denk dat ik nu een denkfoutje maak. Dan hou ik normaal audio over maar dit is geen gemoduleerd signaal. Ik wilde niet meer met zo'n externe detector werken omdat die niet alleen het signaal na de dut meet maar ook andere signalen die zich daarmee mengen in de DUT. Een spoel pikt bv signalen op en die mengen zich dan met het meetsignaal en al die rotzooi mengt zich. Die dectector richt alles tot een GHz ofzo feiloos gelijk dus alles wat onderweg wordt opgepikt ook. Als ik nu dat signaal terug meng ben ik alle vreemde niet-incident signalen kwijt. Om nu de boel simpel te houden dacht ik het gelijk naar DC te mixen maar dat lukt natuurlijk niet. Stom van mij.

Dat maakt het een stuk moeilijker. Dan moet ik dus signaal in de tweede mixer met een LO van bv 510MHz mixen naar 510-1010. dit in een derde mixer met de oorspronkelijke VFO dan hou ik 10MHz over. Dat door een kristal-ladderfilter en dat dan met een interne diode detector detecteren en naar een logamp (of eerst logamp en dan detector ?) Dat wordt al een veel ingewikkeldere klus want daar komen gelijk een hoop filters bij kijken en dus ook meer versterking. Dat is waarschijnlijk nu iets te hoog gegrepen. Ik kan me voorstellen dat ik dan al met de delay te maken krijg. Het incident loopt bij de derde mixer natuurlijk al iets achter op de vco.

OK, dat is duidelijk, gelukkig ergens want nu moet ik de rus wel afbouwen maar ik wil hem toch als het kan wat verbeteren. Maar dan moet ik eerst het probleem vinden en om dat te vinden moet ik weten hoe het kreng werkt op dat punt en dat doet hij niet zoals in het schema, manual omdat die aansluitingen gewoon niet bestaan. Ik kan wel een inverterende opamp gaan maken maar dan moet ik eerst zeker weten dat die het probleem is en ook wat zijn ingang is. Er is een zaagtand, hij schakelt ook iets om daarmee dus ik denk dat het in die opamp zit maar ik weet niet eens wat de ingange en uitgang is. Hij heeft een + en - voeding van 12,6 dus er kan zo een 741 in maar dan moet ik eerst weten wat de ingang is. Ik zie namelijk geen zaagtand op dat ding staan. Alleen een soort verkrachte blokgolf en dat is volgens mij de uitgang maar dan moet er een gaaf ingangsignaal zijn en dat is er niet.

Zou die blokgolf de ingang zijn en door die tor en de defecte opmap daar gaan oscilleren ofzo. Ik ga er eens een externe zaagtand opzetten uit een functiegenerator denk ik, en dan kijken wat hij doet.
Een andere zaagtandgenerator is ook lastig want dan ben ik mijn marker en teller gelijk kwijt.
PA4TIM's opvangtehuis voor buizenbakken: Link
rbeckers
.
.
Berichten: 492
Lid geworden op: 10 mei 2008, 23:15

Re: Het grote wobbel/networkanalyzer topic

Ongelezen bericht door rbeckers »

Fred,

voor een wobbulator kun je het signaal van de DUT meteen toevoeren naar een detector. Voor een SNA gaat dat niet.
Je idee maakt van een wobbulator een SNA.
Een mixer als detector kan wel, maar is een stuk lastiger.
De detector, logamp of diode, kan discreet of met een enkel IC + R's en C's worden uitgevoerd.

René
Gebruikersavatar
fred101
.
.
Berichten: 878
Lid geworden op: 08 jun 2007, 08:08
Roepletters: PA4TIM
Locatie: Waardenburg
Contacteer:

Re: Het grote wobbel/networkanalyzer topic

Ongelezen bericht door fred101 »

Dat was inderdaad het idee. Ik wilde er een SNA van maken met als ontvanger geen superhet principe maar een DC 8) Denk je dat ik vanuit onze sweepprint een marker en frequentie uitlezing kan aansturen/maken ? Dan kan ik die eerst op de originele VCO aansluiten. Daarna de VCO, mixer, LO en versterker vervangen door die minicircuits. Die hebben alleen 12V nodig dus de voeding wordt ook eenvoudiger. Dan werkt verder alles nog zoals nu alleen met betere componenten. Dan kan ik daarna met het tweede idee experimenteren.

Zover ik nu kan zien lijkt de Rus toch logarithmies maar is het dynamisch bereik gewoon heel klein (ongeveer 20dB) De gain knop werkt ook nog steeds heel vreemd dus ik denk dat er een aantal dingen die ik nu vond al langer defect waren.

Ik ben eindelijk weer wat verder. In band 2 staat er op de ingang van de stuurspanningsvormer , op die reeks diodes en serieweerstanden een zaagtand. Als ik omschakel naar band 1 is die weg. Ook met de kaart eruit direct op pin 6 gemeten. Dat heb ik terug kunnen leiden naar de bandschakelaar. Daar staat in band 2 een zaagtand maar ook niet bij omschakelen. Dat was ook met de stuurspanningsvormer er uit getrokken. Het gaat dus fout ergens daarvoor.

De zaagtand generator is goed denk ik. Die lijkt maar een uitgang te hebben en alle potmeters reageren. Op de connector achterop naar de plugin staan wel twee zaagtanden (maar waar die gemaakt worden is me nog niet duidelijk). Ergens tussen daar en die schakelaar moet er een verdwijnen. Dat is echter een omwikkelde draadboom met een stuk of 30 witte draadjes. Dat wordt met de ohmmeter aan de gang gaan. Zal toch niet zijn dat er gewoon een draadje los zit ergens (ik hoop het eigenlijk wel)
PA4TIM's opvangtehuis voor buizenbakken: Link
rbeckers
.
.
Berichten: 492
Lid geworden op: 10 mei 2008, 23:15

Re: Het grote wobbel/networkanalyzer topic

Ongelezen bericht door rbeckers »

Fred,

het is nu duidelijk. :)

Het is wel lastig om advies (gratis, vrijblijvend en goed bedoeld) te geven.
Ik zou de wobbulator repareren en eventueel wat uitbreiden, bijv. betere (log)detector.
Maar niet meer verder veel aan veranderen. Het combineren van oud en nieuw is in dit geval te moeilijk.

Als je behalve de zelfbouw SA van dit forum nog meer wenst, kan dat volgens mij beter als een nieuw project.
Er zijn genoeg mogelijheden. :lol:

René
Gebruikersavatar
fred101
.
.
Berichten: 878
Lid geworden op: 08 jun 2007, 08:08
Roepletters: PA4TIM
Locatie: Waardenburg
Contacteer:

Re: Het grote wobbel/networkanalyzer topic

Ongelezen bericht door fred101 »

Denk dat je daar wel gelijk in hebt. De SA met tracking generator die we bouwen is eigenlijk al wat ik wil. Ben alleen wat te ongeduldig denk ik en vind het leuk dat soort dingen te bedenken. Laat ik die rus maar eens proberen te maken dat is al uitdaging genoeg dan vergeet ik het SNA idee maar (bouw ik volgend jaar gewoon zelf een 0-1GHz VNA :sneaky2: )
PA4TIM's opvangtehuis voor buizenbakken: Link
Gebruikersavatar
fred101
.
.
Berichten: 878
Lid geworden op: 08 jun 2007, 08:08
Roepletters: PA4TIM
Locatie: Waardenburg
Contacteer:

Re: Het grote wobbel/networkanalyzer topic

Ongelezen bericht door fred101 »

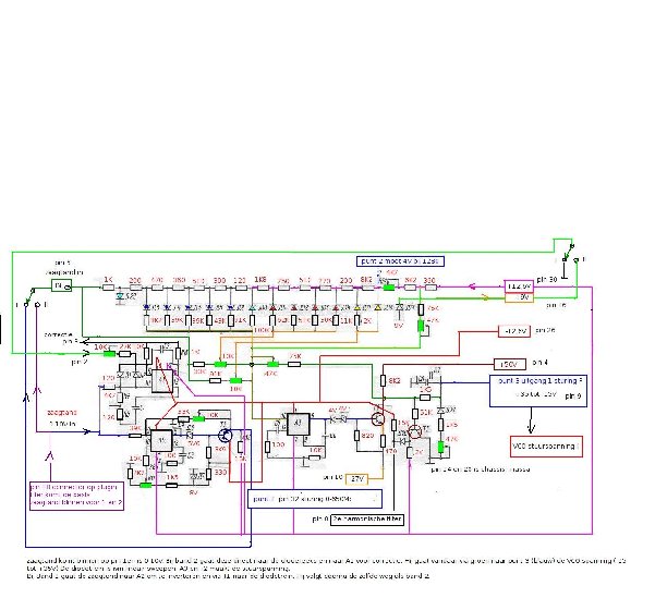
Ik ben een stuk verder nu. Ik weet eindelijk hoe het ding nu ongeveer werkt. Ik heb het aangepaste schema geplaatst.

De zaagtand van 0-10V wordt gemaakt in de zaagtandgenerator. De rest daar is om begin/eind/sweepsnelheid te bepalen. Dat signaal gaat naar de plugin. Daar zit de stuurspanningsomvormer welke bij band 2 het signaal bewerkt en omvormt tot -15 tot +35 zaagtand. Bij band 1 gaat het via de A2 en T1 en verder de zelfde weg. Dat betekent dat ik nu gericht het signaal kan gaan volgen.
Bijlagen
blz13schema.jpeg
PA4TIM's opvangtehuis voor buizenbakken: Link
Plaats reactie