reparatie HP5326 counter/dvm
Forumregels
Plaats hier je bouwsels. Gebruik gerust de bijlagenfunctie van dit forum om bijvoorbeeld foto's en schema's toe te voegen. ATV (amateur televisie) bouwprojecten kun je beter in het ATV subforum plaatsen.
Plaats hier je bouwsels. Gebruik gerust de bijlagenfunctie van dit forum om bijvoorbeeld foto's en schema's toe te voegen. ATV (amateur televisie) bouwprojecten kun je beter in het ATV subforum plaatsen.
- fred101
- .

- Berichten: 878
- Lid geworden op: 08 jun 2007, 08:08
- Roepletters: PA4TIM
- Locatie: Waardenburg
- Contacteer:
reparatie HP5326 counter/dvm
Ik ben begonnen met de reparatie van dit ding. De couter heeft alle tests met glans doorstaan. De voltmeter doet helemaal niets. Ook intern niet. hij kan de triggerlevels meten van de count ingangen. Hij geeft in elke mode alleen -5,3V aan. Die spanning staat ook op de ingang maar geen idee waar die vandaan kan komen.
PA4TIM's opvangtehuis voor buizenbakken: Link
Re: reparatie HP5326 counter/dvm
Fred,
meet je ook -5,3V bij kortgesloten ingang?
Meet de spanningen bij Q7A en B, Q8, Q9 en Q10.
René
meet je ook -5,3V bij kortgesloten ingang?
Meet de spanningen bij Q7A en B, Q8, Q9 en Q10.
René
- fred101
- .

- Berichten: 878
- Lid geworden op: 08 jun 2007, 08:08
- Roepletters: PA4TIM
- Locatie: Waardenburg
- Contacteer:
Re: reparatie HP5326 counter/dvm
Zal ik morgen proberen. Vandaag de hele dag werken. Ik heb gisteren nog even wat gemeten. Het DVM board met de relais is zwaar toegetakeld. Er zitten diverse niet originele torren in en de helft van de onderdelen lijkt er uit te zijn geweest en weer redelijk lomp vast gesoldeerd. Voordeel is dat het niet zo'n erg complex deel is.
Ik heb wat rotzooi verwijderd waar het leek alsof er een kortsluiting tussen sporen was en nu heb ik -3,1V op de ingang. Hij reageert nu ook weer op metingen, er klopt alleen niks van. Als ik de zero potmeter draai kan ik die spanning varieren van 2,1 tot in ieder geval 6V, verder ben ik niet gegaan. Het lijkt er op dat de boel wel werkt maar uit balans is. Die spanning zal wel de feedback zijn. Maar ik vind het wat raar dat er spanning op een ingang kan staan en toch is dat volgens het schema het geval via de feedback. Daar kun je kwetsbare schakelingen mee beschadigen. Tenminste zo lijkt het.
Het calibreren en testen van de counter was leuk. Ik had eindelijk eens alle apparatuur en kon alles aansluiten zoals in het manual staat. Dat scheelt veel. Vroeger moest ik improviseren. Nu stond er bv dat er met een 50 ohm doorvoer en T stuk een generator en scoop moesten worden gekoppeld. Al testje even gedaan zoals ik dat vroeger zou doen en daarna op de goede manier. Maar als je HP aanwijzingen volgt kloppen alle meetgegevens precies. Erg leuk. De Z ingang van de scoop eens gebruikt, pulsgenerator ook, heel gedoe om hem in te stellen volgens het boek (amplitude, rise/fall, off-set, duty-cycle maar wel leuk dat op de counter dan precies terug te zien. Ik heb een 1GHz counter en een frequentiestandaard met oven (die had ik al uren van te voren aangezet) Volgens de calibrator en de 1GHz counter stond de HP interne oscillator er 8Hz naast, dat heb ik bij getrimt dus nu is hij precies 10 MHz. (niet dat het veel zal schelen maar het geeft wel voldoening)
Ik heb wat rotzooi verwijderd waar het leek alsof er een kortsluiting tussen sporen was en nu heb ik -3,1V op de ingang. Hij reageert nu ook weer op metingen, er klopt alleen niks van. Als ik de zero potmeter draai kan ik die spanning varieren van 2,1 tot in ieder geval 6V, verder ben ik niet gegaan. Het lijkt er op dat de boel wel werkt maar uit balans is. Die spanning zal wel de feedback zijn. Maar ik vind het wat raar dat er spanning op een ingang kan staan en toch is dat volgens het schema het geval via de feedback. Daar kun je kwetsbare schakelingen mee beschadigen. Tenminste zo lijkt het.
Het calibreren en testen van de counter was leuk. Ik had eindelijk eens alle apparatuur en kon alles aansluiten zoals in het manual staat. Dat scheelt veel. Vroeger moest ik improviseren. Nu stond er bv dat er met een 50 ohm doorvoer en T stuk een generator en scoop moesten worden gekoppeld. Al testje even gedaan zoals ik dat vroeger zou doen en daarna op de goede manier. Maar als je HP aanwijzingen volgt kloppen alle meetgegevens precies. Erg leuk. De Z ingang van de scoop eens gebruikt, pulsgenerator ook, heel gedoe om hem in te stellen volgens het boek (amplitude, rise/fall, off-set, duty-cycle maar wel leuk dat op de counter dan precies terug te zien. Ik heb een 1GHz counter en een frequentiestandaard met oven (die had ik al uren van te voren aangezet) Volgens de calibrator en de 1GHz counter stond de HP interne oscillator er 8Hz naast, dat heb ik bij getrimt dus nu is hij precies 10 MHz. (niet dat het veel zal schelen maar het geeft wel voldoening)
PA4TIM's opvangtehuis voor buizenbakken: Link
- fred101
- .

- Berichten: 878
- Lid geworden op: 08 jun 2007, 08:08
- Roepletters: PA4TIM
- Locatie: Waardenburg
- Contacteer:
Re: reparatie HP5326 counter/dvm
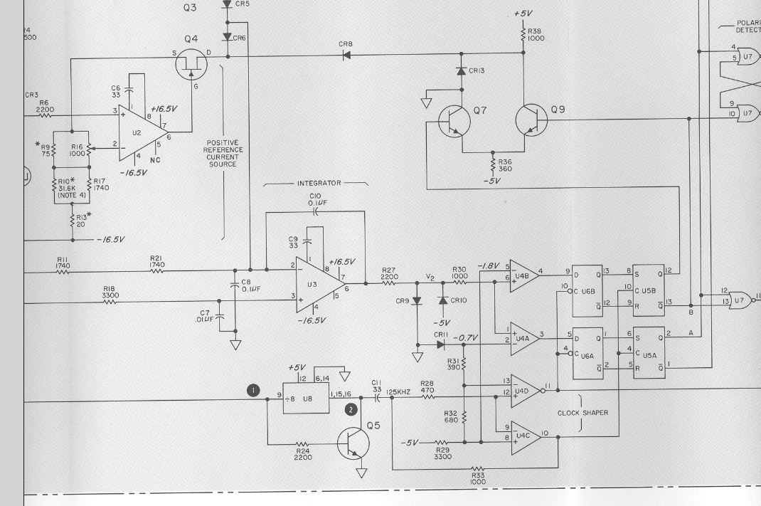
De meetresultaten. Het zit daar fout alleen kom ik er niet achter waar.
Q7a G=-4,62 D=-4,97 S=-5,13
Q7b G=-5 D=-4,97 S=-5,11
Q8 en Q9 beiden gelijk b=-12,17 c=-5,1 e=-12,7
Q10 b=-4,7 e= -4,9 b= -16,5
De Drain van Q7 wordt via Q10 en die zener op een bepaald voltage gezet. Door CR6 zou dat -0,3 (of 0,6) tot -16,5 moeten zijn. De Drain staat dan op die waarde plus 6,19. De source staat op -5,11 en dat klopt wel denk ik. Ik denk dat er op de gate van Q7b niet meer dan - 0,3 mag staan. Op de gate van Q7a staat dan nul volt. Dat verschil wordt door R31 gecompenseerd zodat U1 gelijke spanning op zijn + en - poort krijgt. Er staat echter -5V op de gate van Q7b. Dat kan niet van Q10 komen of de collector-basis diode moet doorgeslagen zijn.
Die spanning moet dus van A13 komen. Daar is een referentie spanning bestaand uit Q1/Q6/Q8/Q3 en Q2/Q7/Q9/Q4. Deze geven als het goed is de zelfde spanning maar dan met omgekeerde polariteit waardoor tussen cr5 en cr6 max 0,3 volt staat op dse feedback lijn. Wel een heel gedoe. Zal wel zijn omdat hij polariteit onafhankelijk kan meten (dus een ground als referentie kan niet)
Probleem bij dit soort schakelingen is dat ik nu wel redelijk weet hoe een tor en fet werkt als versterker maar hier is het meer schakeltechniek achtig en geen kleinsignaal gedrag en dat is nog niet echt mijn sterkste punt.
Ik denk dat Q3 (of wat daarom heen) defect is. De positieve referentie ontbreekt denk ik maar nog niet gemeten. (je kan er niet echt overal makkelijk bij)
Q7a G=-4,62 D=-4,97 S=-5,13
Q7b G=-5 D=-4,97 S=-5,11
Q8 en Q9 beiden gelijk b=-12,17 c=-5,1 e=-12,7
Q10 b=-4,7 e= -4,9 b= -16,5
De Drain van Q7 wordt via Q10 en die zener op een bepaald voltage gezet. Door CR6 zou dat -0,3 (of 0,6) tot -16,5 moeten zijn. De Drain staat dan op die waarde plus 6,19. De source staat op -5,11 en dat klopt wel denk ik. Ik denk dat er op de gate van Q7b niet meer dan - 0,3 mag staan. Op de gate van Q7a staat dan nul volt. Dat verschil wordt door R31 gecompenseerd zodat U1 gelijke spanning op zijn + en - poort krijgt. Er staat echter -5V op de gate van Q7b. Dat kan niet van Q10 komen of de collector-basis diode moet doorgeslagen zijn.
Die spanning moet dus van A13 komen. Daar is een referentie spanning bestaand uit Q1/Q6/Q8/Q3 en Q2/Q7/Q9/Q4. Deze geven als het goed is de zelfde spanning maar dan met omgekeerde polariteit waardoor tussen cr5 en cr6 max 0,3 volt staat op dse feedback lijn. Wel een heel gedoe. Zal wel zijn omdat hij polariteit onafhankelijk kan meten (dus een ground als referentie kan niet)
Probleem bij dit soort schakelingen is dat ik nu wel redelijk weet hoe een tor en fet werkt als versterker maar hier is het meer schakeltechniek achtig en geen kleinsignaal gedrag en dat is nog niet echt mijn sterkste punt.
Ik denk dat Q3 (of wat daarom heen) defect is. De positieve referentie ontbreekt denk ik maar nog niet gemeten. (je kan er niet echt overal makkelijk bij)
PA4TIM's opvangtehuis voor buizenbakken: Link
Re: reparatie HP5326 counter/dvm
Fred,
Q10 is of defect of wordt niet goed aangestuurd. c=-16,5V b=-4,7V e=-4,9V . e is bijna hetzelfde als b.
Q7a D moet hoger zijn dan Q7a S. controleer cr5 ook.
Ik mis het stuk schema achter U1.
Q8 en Q9 zijn ok.
Het lijkt erop dat het opgezet is om de fout tgv lekstroom cr2 en cr3 te verminderen.
cr2 en cr3 vormen de beveiliging. tgv terugkoppeling wordt G van Q7b op dezelfde spanning als G van 7a gehouden.
De ingangschakeling kan dan met beveiliging toch erg hoogohmig zijn.
René
Q10 is of defect of wordt niet goed aangestuurd. c=-16,5V b=-4,7V e=-4,9V . e is bijna hetzelfde als b.
Q7a D moet hoger zijn dan Q7a S. controleer cr5 ook.
Ik mis het stuk schema achter U1.
Q8 en Q9 zijn ok.
Het lijkt erop dat het opgezet is om de fout tgv lekstroom cr2 en cr3 te verminderen.
cr2 en cr3 vormen de beveiliging. tgv terugkoppeling wordt G van Q7b op dezelfde spanning als G van 7a gehouden.
De ingangschakeling kan dan met beveiliging toch erg hoogohmig zijn.
René
- fred101
- .

- Berichten: 878
- Lid geworden op: 08 jun 2007, 08:08
- Roepletters: PA4TIM
- Locatie: Waardenburg
- Contacteer:
Re: reparatie HP5326 counter/dvm
Ik denk de aansturing want anders staat er geen spanning op de ingang. Een eerdere snelle test met diodetester gemeten waren alle torren op dat board goed.rbeckers schreef:Fred,
Q10 is of defect of wordt niet goed aangestuurd.
Dat is plaatje dvm3rbeckers schreef: Ik mis het stuk schema achter U1.
Dat was ook mijn idee. daar ben ik blij om, het gaat mij niet alleen om de reparatie maar ook de methode. Voor die philips bestond een reparatie uit componenten testen en bekijken (en daar was ik best goed inrbeckers schreef: Q8 en Q9 zijn ok.
Ik ga morgen eens verder meten. Ik was eerst bang dat Q7 defect was. Die is nogal kwetsbaar en weer zo'n gepaard special HP ding. Ik ken twee mensen die dit ding hebben met die fet kapot. Maar daarna dacht ik Q10 maar dat verklaarde die spanning op de ingang niet.
PA4TIM's opvangtehuis voor buizenbakken: Link
- fred101
- .

- Berichten: 878
- Lid geworden op: 08 jun 2007, 08:08
- Roepletters: PA4TIM
- Locatie: Waardenburg
- Contacteer:
Re: reparatie HP5326 counter/dvm
Ik heb n u weer wat gemeten. het zit raar bij de Fets Q3 en Q4. Bij de torren Q1 en 2 en U1 en U2 lijkt alles normaal. Op 0,6V na het zelfde.
De uitgangen daarvan zijn ook ongeveer gelijk maar tegengesteld. Q3 heeft echter : s=+10,18, g=+11,17 en d=+10,19. Het lijkt een P-channel FET (pijl naar buiten) Die staat dus dicht .
Q4 : s=-10,14, g= -10,6 maar d=+0,87. Die staat dus vol open (N-channel, pijl naar binnen)
Een van de twee klopt dus niet lijkt me. Ze zouden ongeveer gelijk moeten staan. Het kan zijn er een defect is of dat Q6/8 of QQ9/7 defect zijn.
Te weinig verstand van FET's om te weten welke hoe moet reageren. Het zijn stroombronnen dus ze zullen wel een eind open staan en dan is Q3 dus de boosdoener.
De uitgangen daarvan zijn ook ongeveer gelijk maar tegengesteld. Q3 heeft echter : s=+10,18, g=+11,17 en d=+10,19. Het lijkt een P-channel FET (pijl naar buiten) Die staat dus dicht .
Q4 : s=-10,14, g= -10,6 maar d=+0,87. Die staat dus vol open (N-channel, pijl naar binnen)
Een van de twee klopt dus niet lijkt me. Ze zouden ongeveer gelijk moeten staan. Het kan zijn er een defect is of dat Q6/8 of QQ9/7 defect zijn.
Te weinig verstand van FET's om te weten welke hoe moet reageren. Het zijn stroombronnen dus ze zullen wel een eind open staan en dan is Q3 dus de boosdoener.
PA4TIM's opvangtehuis voor buizenbakken: Link
Re: reparatie HP5326 counter/dvm
Fred,
als de FETs als schakelaar gebruikt worden, dan is dit normaal.
CR5 ook gecontroleerd? Q7a en Q7b zijn mischien niet goed. Als Q10 en CR5 goed zijn, dan zijn Q7a en b dat niet.
Eventueel tijdelijk vervangen door twee losse FETs.
De spanning op de ingang komt doordat de beveilingsdiode open staat. Dus het feedback systeem werkt niet.
René
als de FETs als schakelaar gebruikt worden, dan is dit normaal.
CR5 ook gecontroleerd? Q7a en Q7b zijn mischien niet goed. Als Q10 en CR5 goed zijn, dan zijn Q7a en b dat niet.
Eventueel tijdelijk vervangen door twee losse FETs.
De spanning op de ingang komt doordat de beveilingsdiode open staat. Dus het feedback systeem werkt niet.
René
- fred101
- .

- Berichten: 878
- Lid geworden op: 08 jun 2007, 08:08
- Roepletters: PA4TIM
- Locatie: Waardenburg
- Contacteer:
Re: reparatie HP5326 counter/dvm
Ik heb nog een foutje gemaakt. Q3 staat open en Q4 dicht natuurlijk. Testje of ik die opamp snap.
Op de basis van Q2 staat een referentiespanning bepaald door cr1, een forward referentie diode weet ik sinds vandaag. cr2 is denk ik vanwege U1. De stroom op de basis van Q2 wordt bepaald door Q1. Voor Q2 geld het zelfde. Als de voeding dus varieert dan wordt dat gecompenseerd op die manier. De een trekt de ander mee en de niet-inverterende uitgangen van de unity gain opamps bijven gelijk.
tov elkaar. Deze hebben dus een constante uitgang want de opamp wil de min en plus ingang gelijk hebben. De feedback gebeurd via een fet ipv via een weerstand. Dit is een statisch geheel wat in evenwicht moet zijn,
CR5 en 6 zijn niet een uitgang zoals ik dacht maar een ingang. Als het voltage daar positief is dan gaat het via Q4 naar u2 welke gaat proberen om de beide uitgangen gelijk te maken. Dat triggert q7 en q9 welke dan de polariteit van de ingang aangeven. Is het negatief dan gaat het naar q3.
klopt dit stuk ? Dat hele stuk is dus voornamelijk om de polariteit te bepalen.
U2 heeft het meetsignaal op zijn inverterende ingang. De andere hangt aan massa. Op de uitgang staat dus het omgekeerde van de feedback. Daarmee wordt verder op een voltage-frequentie omzetting gedaan.
Nu staat er dus spanning op de feedback lijn op board A12 (Q7ab) maar het wazige is dat ik tussen massa en cr5/6 bijna nul volt meet en dat kan eigenlijk niet. Aan de andere kant van die lijn op board A12 staat namelijk -5 op de gate van Q7. Dan begin ik idd te twijfelen aan Q10 op A12 maar nog eerder dat er iets mis gaat op A16 ( dat verbindt alle boards met elkaar en er zou een gelijke spanning moeten staan op beide kanten van de feedback.)
Ik ga verder meten maar wil de theorie ook goed hebben.
Op de basis van Q2 staat een referentiespanning bepaald door cr1, een forward referentie diode weet ik sinds vandaag. cr2 is denk ik vanwege U1. De stroom op de basis van Q2 wordt bepaald door Q1. Voor Q2 geld het zelfde. Als de voeding dus varieert dan wordt dat gecompenseerd op die manier. De een trekt de ander mee en de niet-inverterende uitgangen van de unity gain opamps bijven gelijk.
tov elkaar. Deze hebben dus een constante uitgang want de opamp wil de min en plus ingang gelijk hebben. De feedback gebeurd via een fet ipv via een weerstand. Dit is een statisch geheel wat in evenwicht moet zijn,
CR5 en 6 zijn niet een uitgang zoals ik dacht maar een ingang. Als het voltage daar positief is dan gaat het via Q4 naar u2 welke gaat proberen om de beide uitgangen gelijk te maken. Dat triggert q7 en q9 welke dan de polariteit van de ingang aangeven. Is het negatief dan gaat het naar q3.
klopt dit stuk ? Dat hele stuk is dus voornamelijk om de polariteit te bepalen.
U2 heeft het meetsignaal op zijn inverterende ingang. De andere hangt aan massa. Op de uitgang staat dus het omgekeerde van de feedback. Daarmee wordt verder op een voltage-frequentie omzetting gedaan.
Nu staat er dus spanning op de feedback lijn op board A12 (Q7ab) maar het wazige is dat ik tussen massa en cr5/6 bijna nul volt meet en dat kan eigenlijk niet. Aan de andere kant van die lijn op board A12 staat namelijk -5 op de gate van Q7. Dan begin ik idd te twijfelen aan Q10 op A12 maar nog eerder dat er iets mis gaat op A16 ( dat verbindt alle boards met elkaar en er zou een gelijke spanning moeten staan op beide kanten van de feedback.)
Ik ga verder meten maar wil de theorie ook goed hebben.
PA4TIM's opvangtehuis voor buizenbakken: Link
Re: reparatie HP5326 counter/dvm
Fred,
U1 en Q3 vormen een stroombron. Idem U2 en Q4. Via CR5 of CR6 komt die stroom bij U3.
O.a CR8 en de niet zichtbare CR? schakelen de stroombronnen.
U3 telt de stroom op en maakt er een blok met variabele breedte van. De breedte is een maat voor de spanning.
Via de logische poorten wordt dan de clock (125kHz) als een aantal pulsen, afhankelijk van de breedte van de blok uit U3, naar de teller doorgelaten.
De stukken schema zijn wel wat lastig te volgen.
Er ontbreken wat stukjes. Bijv. R18 (3300ohm) voor de + van U3, waar gaat die lijn naar toe?
René
U1 en Q3 vormen een stroombron. Idem U2 en Q4. Via CR5 of CR6 komt die stroom bij U3.
O.a CR8 en de niet zichtbare CR? schakelen de stroombronnen.
U3 telt de stroom op en maakt er een blok met variabele breedte van. De breedte is een maat voor de spanning.
Via de logische poorten wordt dan de clock (125kHz) als een aantal pulsen, afhankelijk van de breedte van de blok uit U3, naar de teller doorgelaten.
De stukken schema zijn wel wat lastig te volgen.
Er ontbreken wat stukjes. Bijv. R18 (3300ohm) voor de + van U3, waar gaat die lijn naar toe?
René
- fred101
- .

- Berichten: 878
- Lid geworden op: 08 jun 2007, 08:08
- Roepletters: PA4TIM
- Locatie: Waardenburg
- Contacteer:
Re: reparatie HP5326 counter/dvm
CR4 blijkt te zijn vervangen door een 3V zener ipv een 4,64 forward reference diode. Ik heb hem vervangen door een 55A 5V zener. nu krijg ik in ieder geval de boel daar in evenwicht en alles daar lijkt OK. De -5V komt van Q10 of de gate van Q7 af. Er staat namelijk aan het ander eind bij de ingang van de opamp bijna 0 volt. Q10 blijkt ook niet origineel maar een bc307B te zijn. Deze ga ik los halen en testen. Als die goed is moet het de dubbel FET zijn. ik zal die dan eens vervangen door twee j310's maar die krengen moeten precies gelijk qua pinch off zijn denk ik.
PA4TIM's opvangtehuis voor buizenbakken: Link
- fred101
- .

- Berichten: 878
- Lid geworden op: 08 jun 2007, 08:08
- Roepletters: PA4TIM
- Locatie: Waardenburg
- Contacteer:
Re: reparatie HP5326 counter/dvm
Ik heb ooit een FET tester gemaakt naar een schema maar dat ding vertrouw ik niet, er zit geen logica in. Weet jij een goede manier om FETs te testen. Voor torren heb ik een mooie oude philips tester of mijn component tester met bias optie.
PA4TIM's opvangtehuis voor buizenbakken: Link
- fred101
- .

- Berichten: 878
- Lid geworden op: 08 jun 2007, 08:08
- Roepletters: PA4TIM
- Locatie: Waardenburg
- Contacteer:
Re: reparatie HP5326 counter/dvm
Vanavond niks gedaan. Tim was ineens ziek. de hele avond overgeven. Ik heb naast zijn bed wat torren zitten sorteren.
Ik denk dat je wel een idee heb welke tester ik wil maken
Ik denk dat je wel een idee heb welke tester ik wil maken
PA4TIM's opvangtehuis voor buizenbakken: Link
- fred101
- .

- Berichten: 878
- Lid geworden op: 08 jun 2007, 08:08
- Roepletters: PA4TIM
- Locatie: Waardenburg
- Contacteer:
Re: reparatie HP5326 counter/dvm
Ik dacht dat ik meerdere UJT's had. Blijkt er maar een te zijn en ik heb er twee nodig voor die curve tracer. Dat is jammer.
PA4TIM's opvangtehuis voor buizenbakken: Link